欢迎光临天机传动官网,今天是:

磁粉制动器

  • 首 页
  • 产品中心
  • 磁粉制动器
  • 实力展示
  • 关于我们
  • 技术支持
  • 在线留言
  • 成功案例
  • 联系我们

    产品中心

    • 磁粉制动器
    • 磁粉离合器
    • 磁粉刹车器
    • 电磁离合器
    • 电磁制动器
    • 微型电磁离合器
    • 微型电磁制动器
    • 张力控制器
    • 电磁离合刹车器组合体
    • 金牌对边机伺服纠偏器
    • 气涨轴安全夹头
    • WP蜗轮蜗杆减速机
    • 离合刹车减速机
    • NMRV铝合金蜗轮蜗杆减速机
    • 无极变速机
    • 非标减速机电磁离合制动器组
    • 空压式离合器制动器

    联系我们

      联系人:陈小姐
      手 机:18027055835
      电 话:
      传 真:0769-85704468
      邮 箱:huang@dgtaiji.com.cn
      网 址:www.szlangan.com
      地 址:广东东莞市大朗镇松木山村利昌路13号

    您当前的位置:首页 > 产品中心 > WP蜗轮蜗杆减速机

    上一篇:无

    下一篇:WPDKS蜗轮蜗杆减速机,空心轴蜗轮蜗杆减速机,自锁蜗轮蜗杆减速机

    • 名称: WPDK蜗轮蜗杆减速机,立式蜗轮蜗杆减速机

    • 分类: WP蜗轮蜗杆减速机

    •  
    • 分享到:

      详细介绍:

      东莞台机减速机有限公司(台湾天机牌)生产厂家制造销售的WPDK蜗轮蜗杆减速机又称立式蜗轮蜗杆减速机,该产品采用进口原材料,台湾生产加工技术,并且通过ISO9001质量体系认证和CE认证,质量放心可靠。
      WPDK蜗轮蜗杆减速机,立式蜗轮蜗杆减速机是一种动力传达机构,利用齿轮的速度转换器,将电机(马达)的回转数减速到所要的回转数,并得到较大转矩的机构。在目前用于传递动力与运动的机构中,减速机的应用范围相当广泛。
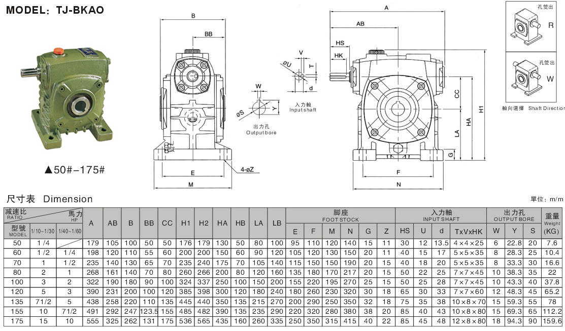
      WPDK蜗轮蜗杆减速机,立式蜗轮蜗杆减速机是单轴输入,空心轴输出。WPDK减速机轴指向表示方法.机座号从40到250,可选速比从10到60。
      以下是WPDK蜗轮蜗杆减速机,立式蜗轮蜗杆减速机选型参数图

    WPDK减速机

    上一篇:无

    下一篇:WPDKS蜗轮蜗杆减速机,空心轴蜗轮蜗杆减速机,自锁蜗轮蜗杆减速机

      其它产品

    WPDO蜗轮蜗杆减速机,卧式蜗轮蜗杆减速机,法兰式蜗轮蜗杆减速机

    WPDO蜗轮蜗杆减速机,卧式蜗轮蜗杆减速机,法兰式蜗轮蜗杆减速机
    WPO减速机,铸铁减速机,WP蜗轮蜗杆减速机

    WPO减速机,铸铁减速机,WP蜗轮蜗杆减速机
    WPDX蜗轮减速机,WPDX蜗杆减速机,WPDX涡轮减速器,WPDX涡杆减速器

    WPDX蜗轮减速机,WPDX蜗杆减速机,WPDX涡轮减速器,WPDX涡杆减速器
    WPDA蜗轮蜗杆减速机,立式蜗轮蜗杆减速机带法兰盘

    WPDA蜗轮蜗杆减速机,立式蜗轮蜗杆减速机带法兰盘
    WPA减速机,WPA蜗轮减速机,WPA蜗杆减速机

    WPA减速机,WPA蜗轮减速机,WPA蜗杆减速机
    WPDK蜗轮蜗杆减速机,立式蜗轮蜗杆减速机

    WPDK蜗轮蜗杆减速机,立式蜗轮蜗杆减速机
    WPS减速机,WPS蜗轮蜗杆减速机,WPS自锁减速机

    WPS减速机,WPS蜗轮蜗杆减速机,WPS自锁减速机
    WPDKS蜗轮蜗杆减速机,空心轴蜗轮蜗杆减速机,自锁蜗轮蜗杆减速机

    WPDKS蜗轮蜗杆减速机,空心轴蜗轮蜗杆减速机,自锁蜗轮蜗杆减速机
    WPX蜗轮减速机,WPX蜗杆减速机,卧式WPX蜗轮蜗杆减速机

    WPX蜗轮减速机,WPX蜗杆减速机,卧式WPX蜗轮蜗杆减速机

    首 页 产品中心磁粉制动器实力展示关于我们技术支持在线留言成功案例联系我们
    主营产品:磁粉制动器  磁粉刹车器  磁粉离合器  张力控制器  电磁离合器  电磁制动器  电磁刹车器  
    电    话:唐小姐 18028287736    传真:0769-85704468   邮箱:huang@dgtaiji.com.cn
    地    址:广东东莞市大朗镇松木山村利昌路13号
    版权所有:版权所有:东莞市台机减速机有限公司   京ICP证000000号
    • 游小姐
    • 旺旺在线
    • 微信扫一扫,联系我们